Ir al contenido
Buscar producto por imágenes
Aireadores
Redes y
conductos
Recuperadores
de calor
Recuperador de calor
para una habitación
Válvulas con sensores
Ventilación
forjado sanitario
Aireadores de puerta
Silenciadores y filtros
Ventiladores de cubierta
Bocas, terminales
Reguladores de caudal y rejillas
Tienda
Blog
Normativa
Alta profesional
0
(0 encontrado)
+34661926200
Identificarse
Contáctenos
0
(0 encontrado)
Buscar producto por imágenes
Tienda
Blog
Normativa
Alta profesional
+34661926200
Identificarse
Contáctenos
Todos los productos
Todos los productos
Slotvent Type 489 475 mm
Tarifa pública
Tarifa pública
Slotvent Type 489 475 mm
https://www.system-air.es/shop/slotvent-type-489-475-mm-22068
https://www.system-air.es/web/image/product.template/22068/image_1920?unique=b8934db
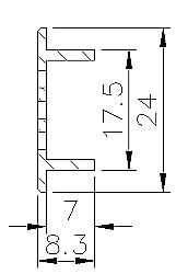
Rejilla modelo 489 medidas desde 275- 700mm alto de 24mm
14,60
€
14.6
EUR
14,60
€
Not Available For Sale
Marca
Renson
Acabados
SAA
+
17,51
€
Ral Standard
+
21,02
€
Ral especial, texturizados y bicolor
+
26,28
€
Esta combinación no existe.
Añadir a la cesta
Comprar ahora
Contáctenos
Marca
:
Renson
Compartir